AIP1668EO是一款由i-CORE(中微愛芯)設計生產的LED驅動控制專用電路,它集成了MCU數字接口、數據鎖存器和鍵盤掃描電路,主要應用于VCR、VCD、DVD及家庭影院等產品的顯示屏驅動。這款芯片以其高度集成和易用性而受到市場的青睞。

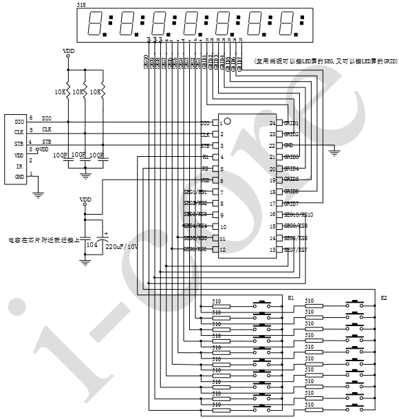
AIP1668EO芯片采用SOP24封裝,共有24個引腳,每個引腳都有其特定的功能。以下是各引腳的作用詳解:
VDD:電源電壓輸入,邏輯電源電壓范圍為3V至5.5V。
VSS:地線,提供電路的參考地電位。
DIO:數據線,用于芯片與外部控制器之間的數據傳輸。
STB:鎖存信號線,用于鎖存傳輸的數據。
CLK:時鐘線,提供數據傳輸的時鐘信號。
SEG A-G:段選信號,用于控制數碼管的各個段,實現數字和字符的顯示。
COM0-COM3:公共陽極,連接數碼管的公共陽極,用于多路數碼管的驅動。
KEY IN0-KEY IN9:鍵盤掃描輸入,用于接收鍵盤的掃描信號,實現按鍵檢測。
LED K1, LED K2:LED驅動輸出,用于驅動LED指示燈。
AIP1668EO芯片的工作原理基于其內部的MCU數字接口、數據鎖存器和鍵盤掃描電路。以下是其工作原理的簡要分析:
數據傳輸:通過DIO、STB和CLK三條線實現與外部控制器的數據傳輸。DIO線上的數據在STB線的上升沿被鎖存,CLK線提供時鐘信號控制數據的傳輸節奏。

顯示控制:芯片內部的數據鎖存器存儲從DIO線接收到的數據,并通過SEG A-G引腳控制數碼管的顯示內容。COM0-COM3引腳則用于驅動數碼管的公共陽極,實現多位數碼管的顯示。
鍵盤掃描:通過KEY IN0-KEY IN9引腳接收鍵盤的掃描信號,內部電路根據這些信號判斷哪個按鍵被按下,并輸出相應的數據。
輝度調節:AIP1668EO內置輝度調節電路,支持8級占空比可調的亮度控制,通過調節占空比來控制LED的亮度,以適應不同的環境光線。
內置振蕩器:芯片內置450KHz±5%精度的RC振蕩器,無需外部時鐘源,簡化了電路設計。
上電復位:內置上電復位電路,確保芯片在上電時能正確初始化,提高系統的穩定性。
AIP1668EO芯片以其集成度高、功能豐富和易用性而廣泛應用于各種顯示設備中。通過對各引腳功能的詳解和原理分析,我們可以更好地理解這款芯片的工作機制,并在實際應用中發揮其最大效能。