在電源管理設計中,芯片的互換性是一個重要的考慮因素,它關系到設計的靈活性和產品的維護成本。最近有客戶咨詢KP3221DP是否能替代OB2223SP,KP3221DP和OB2223SP是兩款在小家電市場中廣泛使用的芯片。本文將探討這兩款芯片的互換性,以及它們在設計中的具體應用。

KP3221DP是一款由必易微電子推出的非隔離12V 250mA開關電源芯片。它具有以下特點:
高性能:KP3221DP提供了高性能的PWM控制,適用于離線式小功率降壓型應用。
低成本:作為一款低成本解決方案,它有助于降低產品的整體成本。
內置高耐壓MOSFET:這提高了系統的浪涌耐受能力,增強了產品的可靠性。
OB2223SP是一款電源管理芯片,廣泛應用于家用電器產品中,如電磁爐、豆漿機等。它的特點包括:
內置BJT:提供了原邊檢測,無需額外的TL431和光耦。
高精度CV控制:確保了輸出電壓的穩定性。
多種保護功能:包括過載保護、輸出短路保護、超溫保護等。
在考慮KP3221DP與OB2223SP的互換性時,我們需要關注以下幾個關鍵參數:
電壓和電流規格:KP3221DP提供12V 250mA的輸出,而OB2223SP的規格可能有所不同。如果兩者的電壓和電流規格不匹配,直接互換可能會導致性能下降或損壞設備。
功能特性:KP3221DP和OB2223SP在功能上可能存在差異。例如,OB2223SP可能具有更多的保護功能或不同的控制模式,這可能影響它們在特定應用中的互換性。
封裝類型:封裝類型的兼容性也是互換性的一個重要因素。KP3221DP采用DIP7封裝,7個腳;而OB2223SP采用SOP8封裝,腳位不同。如果兩款芯片的封裝類型不兼容,可能需要額外的設計工作來適配。
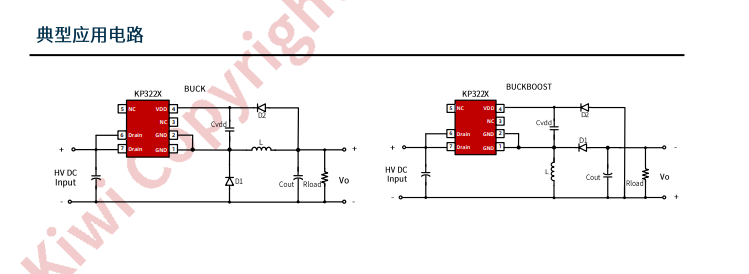
外圍電路:即使兩款芯片在電氣特性上兼容,它們的外圍電路設計也可能不同。在互換時,可能需要調整外圍電路以確保新芯片能夠正常工作。KP3221DP應用電路如下所示:

KP3221DP和OB2223SP在某些應用中可能具有互換性,但這需要在電壓、電流規格、功能特性、封裝類型和外圍電路設計等方面進行詳細的比較和測試。在沒有具體數據和測試結果的情況下,不能一概而論地認為它們可以互換。設計師在考慮互換時,應仔細評估這些因素,以確保最終產品的性能和可靠性。
在實際應用中,如果需要更詳細的互換性分析,建議咨詢芯片制造商或查閱技術文檔,以獲取更準確的信息。同時,進行原型測試是驗證互換性的關鍵步驟,可以確保新芯片在實際工作條件下的兼容性和性能。