LP3716NCK作為芯茂微推出的一款高性能的極簡化自供電原邊反饋控制芯片,憑借其高度集成的設計理念、卓越的性能表現以及廣泛的應用領域,成為了眾多電源解決方案中的首選之一。本文將深入剖析LP3716NCK芯片的特性、管腳信息、應用信息以及其在實際應用中的優勢,旨在為電子工程師和相關技術人員提供一份詳盡的參考。

LP3716NCK是一款專為隔離型適配器和充電器設計的自供電原邊反饋控制芯片。其外圍設計極為簡潔,通過固定原邊峰值電流,并利用變壓器的原副邊匝比來設定輸出恒流點,同時通過設定反饋腳(FB)上的偏置電阻來設置輸出恒壓點。這種設計不僅簡化了系統成本,還通過取消限流電阻和輔助繞組VCC供電二極管等傳統元件,實現了更高的集成度和更低的待機功耗。此外,LP3716NCK還內置了輸出線纜補償功能,能夠有效調節輸出線纜補償值,從而進一步優化輸出電壓調整率。
該芯片集成了多種保護功能,包括VCC鉗位/欠壓保護、FB腳上電阻開路保護、輸出短路保護、輸出過壓保護以及過溫保護等,確保了在各種復雜工作環境下的穩定性和可靠性。LP3716NCK采用SOP8L封裝形式,這種封裝方式不僅體積小巧,而且散熱性能良好,非常適合應用于對空間要求較高的電子產品中。
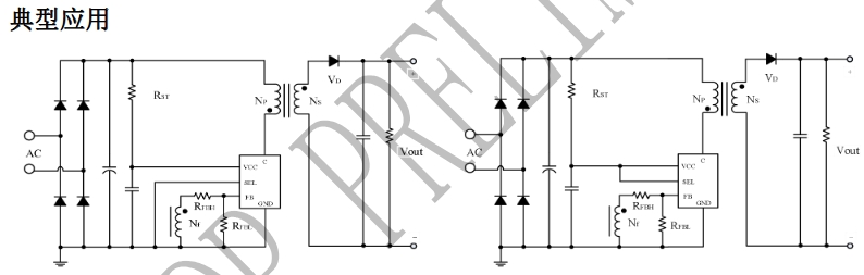
以下是LP3716NCK的典型應用電路圖及說明:

AC輸入:通過整流濾波后,得到直流電壓VIN,為變壓器原邊提供輸入電壓。
變壓器:根據原副邊匝比設置輸出恒流點,通過FB腳的電阻分壓設置輸出恒壓點。
反饋腳(FB):連接電阻分壓網絡,用于檢測輸出電壓并反饋給芯片,調節輸出電壓的穩定性。
VCC供電:通過旁路電容穩定供電,確保芯片正常工作。
SEL腳:通過連接GND或VCC選擇內置峰值電流閾值,分別為620mA和760mA。
內置功率管:通過C腳連接變壓器,實現功率輸出。
12V1A電源適配器:適用于路由器、智能音響、攝像頭等設備。
LED驅動電源:為LED燈具提供穩定的電源。
其他輔助電源:用于線性電源和RCC開關電源的升級換代。
該電路設計充分利用了LP3716NCK的自供電特性,省去了輔助繞組和VCC供電二極管,簡化了電路設計并降低了成本。同時,通過內置的多種保護功能,如VCC鉗位/欠壓保護、FB腳電阻開路保護、輸出短路保護等,確保了系統的穩定運行。
LP3716NCK芯片的管腳設計簡潔明了,每個管腳都有明確的功能定義,以下是其詳細的管腳信息:
| 管腳號 | 管腳名稱 | 描述 |
|---|---|---|
| 1 | FB | 反饋電壓輸入端,用于恒壓輸出設置 |
| 2 | GND | 芯片地,為芯片提供接地參考電位 |
| 3 | SEL | 峰值電流選擇腳,通過連接不同電平來設定內置峰值電流閾值 |
| 4 | VCC | 芯片電源,需就近接旁路電容以穩定供電 |
| 5、6、7、8 | C | 內置功率三極管的集電極 |
其中,SEL管腳的功能尤為關鍵,它通過與GND或VCC的不同連接方式,決定了芯片的內置峰值電流閾值。當SEL接GND時,內置峰值電流閾值為620mA;而當SEL接VCC時,內置峰值電流閾值則為760mA。這種靈活的電流閾值設置方式,使得LP3716NCK能夠適應不同功率需求的應用場景。
LP3716NCK芯片以其極簡化的自供電原邊反饋控制特性,廣泛應用于多種電源領域。其典型應用圖展示了該芯片在實際電路中的連接方式和主要元件配置。在應用中,LP3716NCK工作于斷續模式,這種模式下,電感電流在每個開關周期內都會下降至零,從而有效避免了磁飽和現象的發生,提高了電源的穩定性和效率。
在恒流控制方面,LP3716NCK通過逐周期檢測電感的峰值電流,當原邊電感中的實時電流超過內部設定的最大峰值電流IPK時,功率管將立即關斷。這種精確的電流控制方式,結合變壓器的匝比設置,能夠實現對輸出電流的精準調節。輸出電流的計算公式為:
其中,NP和NS分別為變壓器主級和次級的匝數,Ki為變壓器轉換系數,通常取值在0.90到0.93之間,具體值取決于變壓器的漏感大小。
在恒壓控制方面,LP3716NCK通過電阻采樣反激電壓,并將分壓后的電壓與內部基準電壓進行比較,形成閉環控制,從而實現對輸出電壓的穩定調節。輕載和滿載輸出電壓的計算公式分別為:
其中,RFBH和RFBL分別為FB外接的上偏電阻和下偏電阻,ICOMP_LINE為滿載時經過FB上偏電阻的輸出線補償電流。
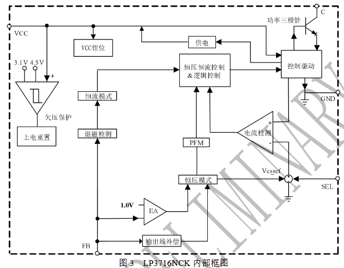
LP3716NCK芯片在設計和應用中展現出諸多顯著優勢。首先,其極簡化的外圍設計大幅減少了外圍元件數量,降低了系統成本和設計復雜度。其次,芯片的低待機功耗特性使其在節能方面表現出色,特別適合應用于對能效要求較高的設備中。LP3716NCK內部框架圖如下所示

此外,LP3716NCK的高精度恒流控制和輸出線損補償技術,能夠有效提高電源的輸出精度和穩定性,確保在不同負載條件下的性能一致性。最后,芯片內置的多種保護功能,如VCC鉗位/欠壓保護、FB腳電阻開路保護、輸出短路保護等,為電源系統提供了全方位的保護,增強了產品的可靠性和安全性。
LP3716NCK作為一款高性能的極簡化自供電原邊反饋控制芯片,憑借其簡潔的管腳設計、靈活的電流和電壓控制方式以及強大的保護功能,在隔離型適配器、充電器、LED驅動電源等領域得到了廣泛應用。它不僅滿足了現代電子產品對電源管理芯片高集成度、高效率、高可靠性的要求,還通過其獨特的設計和優化,為電源系統的設計和應用提供了極大的便利。