LPK8728作為一款高度集成的隔離型適配器和充電器的自供電PSR控制芯片,以其極簡的外圍設計、高效的性能和全面的保護功能,成為了15W-18W功率范圍內理想的電源解決方案。本文將深入解析LPK8728芯片的特性、典型應用、內部結構以及應用設計要點,幫助工程師更好地理解和應用這款芯片。

LPK8728是一款專為隔離型適配器和充電器設計的自供電PSR控制芯片。它通過外置電阻可調原邊峰值電流,并通過變壓器原副邊匝比來設置輸出恒流點。此外,通過設定FB腳上的偏電阻,可以靈活調整輸出恒壓點。為了簡化系統設計,降低成本,LPK8728內置啟動電路,無需外部啟動電阻,并采用自供電方式取消了輔助繞組VCC供電二極管。芯片還集成了輸出線纜補償功能,通過設定FB外置上下偏電阻的值來調節輸出線纜補償值,從而實現更好的輸出電壓調整率。
在保護功能方面,LPK8728提供了全面的保障,包括VCC鉗位/欠壓保護、FB腳電阻開短路保護、輸出短路保護、輸出過壓保護以及過溫保護等。這些保護功能確保了芯片在各種異常工作條件下的穩定性和可靠性。LPK8728采用SOP8L封裝,具有良好的散熱性能和易于集成的特點。
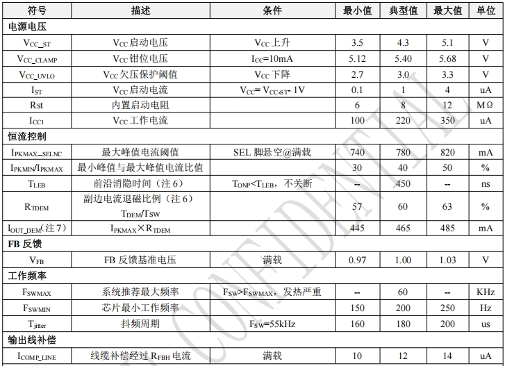
LPK8728的規格參數詳細列出了其在電氣性能、工作條件和保護功能等方面的關鍵指標。例如,芯片的VCC啟動電壓范圍為3.5V至5.1V,工作電流范圍為100uA至350uA。最大峰值電流閾值可達780mA,最小峰值與最大峰值電流比值為30%至50%。在保護功能方面,FB腳電阻開路保護電流閾值分別為56uA(啟機前6個周期內)和20uA(啟機6個周期后)。輸出短路保護閾值為0.45V至0.55V,過壓保護電壓為1.2V至1.4V。這些參數確保了LPK8728在不同工作條件下的穩定性和可靠性。

LPK8728的典型應用圖展示了其在隔離型電源轉換系統中的連接方式和主要元件配置。如圖1所示,該芯片通過變壓器與輸入電源相連,通過反饋引腳FB與輸出端相連,實現對輸出電壓和電流的精確控制。在典型應用中,LPK8728可以應用于適配器、充電器、LED驅動電源以及線性電源和RCC開關電源的升級換代等場景。

LPK8728的內部結構框圖揭示了其高度集成的設計理念。如圖3所示,芯片內部集成了供電電路、VCC鉗位、恒壓恒流控制、控制驅動、欠壓保護、上電重置、退磁檢測、電流檢測以及PFM控制等功能模塊。這些模塊協同工作,實現了高效的電源轉換和精確的輸出控制。例如,恒壓恒流控制模塊通過檢測反饋引腳FB的電壓,與內部基準電壓進行比較,形成閉環控制,從而實現對輸出電壓和電流的穩定調節。

在應用LPK8728設計電源系統時,需要遵循一些關鍵的設計要點。首先,芯片的啟動電流僅為1uA,系統上電后通過內部啟動電路給Vcc的電容進行充電,當Vcc電壓達到芯片開啟閾值時,芯片內部控制電路開始工作。系統啟動后,Vcc由內部專有的供電電路進行供電。
峰值電流設置通過SEL腳外接電阻RSEL實現,可調最大峰值電流IPKMAX。恒流控制和輸出恒流電流設置通過檢測電感的峰值電流實現,當原邊電感中的實時電流大于芯片設定的最大峰值電流IPKMAX時,功率管關斷。輸出電流IOUT與變壓器的匝數比、峰值電流和退磁時間等因素有關。
恒壓控制通過電阻采樣反激電壓,電阻分壓后的電壓與內部基準比較形成閉環,從而恒定輸出電壓Vout。在輕載和帶載條件下,輸出電壓的計算公式有所不同,需要根據具體的應用場景進行調整。

此外,LPK8728還提供了多種保護功能,如FB腳上電阻開路保護、短路保護、輸出過壓保護、VCC鉗位/欠壓保護以及過溫保護等。這些保護功能確保了芯片在各種異常工作條件下的穩定性和可靠性。
在PCB設計方面,需要遵循一些特定的指南。例如,VCC的旁路電容需要緊靠芯片VCC和GND引腳,SEL腳的電阻需要緊靠芯片SEL和GND引腳。接到FB腳的分壓電阻必須靠近FB引腳,且節點要遠離變壓器原邊繞組的動點。適當增加C引腳的鋪銅面積可以提高芯片的散熱性能。此外,減小功率環路的面積可以有效降低EMI輻射。
LPK8728以其高度集成的設計、極簡的外圍電路、高效的性能和全面的保護功能,成為了15W-18W功率范圍內理想的電源解決方案。通過本文的詳細解析,工程師可以更好地理解和應用這款芯片,設計出高效、穩定、可靠的電源系統。無論是適配器、充電器還是LED驅動電源,LPK8728都能提供出色的性能和靈活性,滿足不同應用場景的需求。