隨著技術的發展,市場對電源模塊的要求越來越高,不僅需要高精度、高效率,還需要具備良好的電磁兼容性(EMI)和低成本。輝芒微推出的FT8440BD2,12V500mA過EMI高精度低成本恒壓輸出電源方案,正是在這樣的背景下應運而生,為小家電輔助電源等應用場景提供了理想的解決方案。

FT8440BD2方案采用了高性能、高精度、低成本的非隔離PWM功率開關FT8440X。該芯片集成了電流模PWM控制器和高壓功率開關管,能夠實現優越的動態響應和穩定的閉環反饋,確保在全電壓輸入范圍內都能獲得穩定的高精度輸出電壓。該方案具有以下顯著特點:
方案支持全電壓輸入范圍,即90Vac~264Vac,50/60Hz,能夠適應不同國家和地區的電網電壓,大大增強了產品的通用性。
在115Vac和230Vac滿載條件下,效率高達77.90%,待機功耗僅為55mW@230V,這使得電源在各種工作狀態下都能保持高效的能源轉換,同時降低待機能耗,符合節能環保的要求。
輸出紋波電壓極低,Vripple_p-p ≤ 100mV@90V-264V,確保輸出電壓的穩定性,為負載設備提供干凈的電源,減少因電源波動引起的設備故障。
采用BUCK結構,外圍元件數量少,成本低。內部集成高壓啟動功能,起機時間短(典型50ms),動態響應優越,能夠快速適應負載變化,保持輸出電壓的穩定。
采用DIP7封裝,內置630V高壓MOS,可靠性高。同時,方案具備欠壓鎖定、過壓、過溫、過流、輸出短路保護等多種保護功能,全方位保障電源和負載的安全。

以下是FT8440BD2方案的詳細電源規格:
輸入電壓:90Vac~264Vac,雙導線,無P.E.
輸入頻率:47Hz~64Hz
輸出電壓:12V
輸出電流:0.5A
連續輸出功率:6.0W
在115Vac和230Vac滿載條件下,效率為77.9%,這一效率水平在同類產品中表現優異,能夠有效減少能源損耗。
傳導EMI:滿足EN55022B標準
輻射EMI:滿足EN5013標準
采用單面板設計,尺寸為70mm×36mm,這種緊湊的設計有助于節省空間,便于集成到各種小家電設備中。
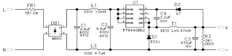
FT8440BD2方案提供了兩種電路原理圖,一種是過EMI樣機的電路原理圖,另一種是無EMI要求的樣機電路原理圖。以下是過EMI樣機的電路原理圖:

該電路原理圖中,FT8440BD2作為核心芯片,通過合理的元件布局和連接,實現了高精度恒壓輸出。電路中包括了輸入整流橋、濾波電容、高壓啟動電阻、反饋網絡、續流二極管、電感等關鍵元件,這些元件協同工作,確保電源的穩定運行。
PCB布局對于電源性能至關重要,FT8440BD2方案采用了單面板雙面元件的設計,PCB厚度為1mm。PCB頂面為插件元件,底面為貼片元件。這種布局方式不僅節省空間,而且便于生產和維護。

在PCB布局中,特別注意了元件的擺放位置和走線,以減少電磁干擾并提高電源的效率和穩定性。例如,輸入端和輸出端的元件被合理地分開,以避免相互干擾;功率元件和控制元件之間的連接盡量短而直,以減少寄生參數的影響。
以下是FT8440BD2方案的物料清單,包括了電路板、保險電阻、整流橋、鋁電解電容、貼片電容、二極管、貼片電阻、色環電感、變壓器、貼片電感和集成電路IC等元件。這些元件均為高品質的常用元件,易于采購且成本較低。

FT8440BD2:12V500mA過EMI高精度低成本恒壓輸出電源方案憑借其卓越的性能和合理的設計,在小家電輔助電源等領域展現出了巨大的應用潛力。它不僅滿足了高精度、高效率、低待機功耗的要求,還具備良好的電磁兼容性和高可靠性,同時成本控制得當,易于生產和維護。